英国PDA
产品中心
>
您当前的位置:
产品中心
PDA进口隔断—Hermetic 55N高强度钢制隔断
    发布时间: 2026-03-26 13:57    
PDA进口隔断—Hermetic 55N高强度钢制隔断

PDA进口隔断—Hermetic 55N高强度钢制隔断


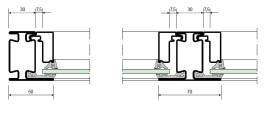
Hermetic 55N高强度钢制隔断系统型材采用多弯卡扣式设计,型材强度大大提高,适用于楼宇及商场入口门,同时可以根据建筑外幕墙风格改变玻璃位置,使幕墙与门窗到达共面或错位。可实现C类防火。




Hermetic 55N钢制隔断技术节点


联系我们
英国PDA上海分公司防火隔断墙、玻璃隔断生产商
电 话:021-61526106
传 真:021-61526189*608
邮 箱:steelpartition@eng-pda.com
地 址:上海市嘉定区金沙江西路568号Chaber大厦B栋8楼